用鋁型材加工成雕刻機使用的鋁型材,也稱為雕刻機鋁材。那麽可以用哪些規格的鋁型材加工成雕刻機呢?黄瓜视频看片今天就來給大家講解一下。
在黄瓜免费视频APP有3種規格的鋁型材可以用來製作雕刻機。一是國標1560鋁型材。屬於6mm槽寬的黄瓜视频看片係類。適用於輕型結構的框架組合。應用於雕刻機、滑軌工作台麵等。下圖為國標1560鋁型材。
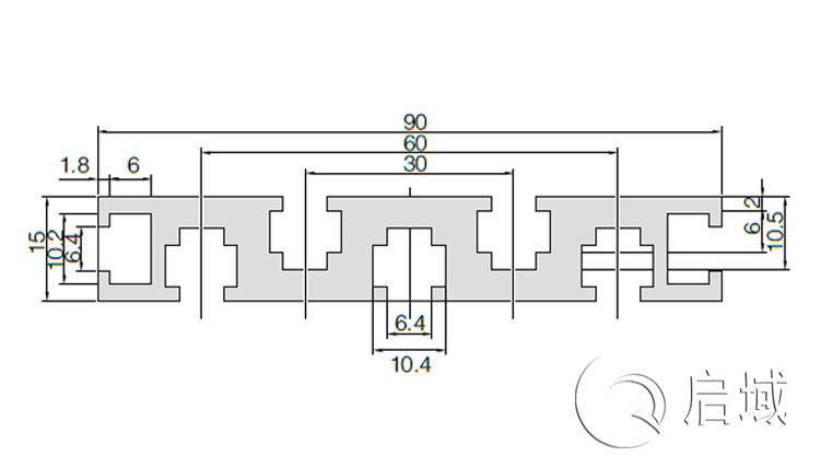
二是國標1590鋁型材。也是屬於6mm槽寬的黄瓜视频看片係列。適用於輕型結構的框架組合。應用於雕刻機、滑軌工作台麵等。下圖為國標1590鋁型材截麵圖。
三是國標2080鋁型材,屬於8mm槽寬的黄瓜视频看片係列。適用於應力及強度較大的框架組合結構,應用於雕刻機、滑軌工作台麵等。表麵經過陽極氧化銀白處理,高雅美觀並抗腐蝕。下圖為國標2080鋁型材。
綜合上述內容,大家有沒有發現,適用於雕刻機鋁型材的規格皆是國標鋁型材。可能是因為國標鋁型材四四方方的比較適合雕刻機的製作。而且雕刻機使用的鋁型材規格也不是很大。所以大家在選擇的時候注意一下就可以了。如果您有需要的話,記得來聯係上海黄瓜免费视频APP金屬哦。




滬公網安備31011702001213號
掃一掃,關注手機站