• 黄瓜视频看片,91黄瓜在线观看,黄瓜免费视频APP,黄瓜视频正版下载

    全國站[切換城市]
    黄瓜免费视频APP黄瓜视频看片配件_框架、自動化流水線、車間工作台、設備機罩防護圍欄加工定製廠家

    在線留言 網站地圖 聯係黄瓜免费视频APP

    黄瓜免费视频APP

    黄瓜视频看片專業廠家
    4000965058

    猜您想找 :鋁材廠家 91黄瓜在线观看 流水線鋁型材 異型材開模

    當前位置: 首頁 » 新聞資訊 » 行業資訊 » 30係列歐標鋁型材之歐標3030直角鋁型材

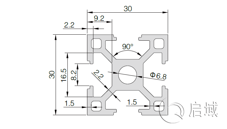
    30係列歐標鋁型材之歐標3030直角鋁型材

    文章出處:   責任編輯:   發布時間:2018-05-10 09:04:12    點擊數:-   【

      什麽叫直角鋁型材?相信大家有點疑惑,歐標鋁型材的四角不都是帶點弧度的嗎?其實,這款鋁型材是根據一些審美不同的人研發出來的,有的人就喜歡國標鋁型材的這種四四方方的角,但是國標鋁型材的配件比較少,怎麽辦呢?然後就有這款外表是國標鋁型材實則是歐標鋁型材的直角鋁型材,現在,黄瓜视频看片就一起來看一下這款歐標3030直角鋁型材吧。

    3030直角鋁型材

      歐標3030直角鋁型材的產品貨號為QY-8-3030A,它廣泛應用於大應力、高強度、支撐要求高的重載結構的框架組合,歐標3030直角鋁型材的配套螺栓螺母通常采用30係列M6T型螺栓與M6法蘭螺母或M6、M5、M4專用T型螺母與內六角螺栓內部連接,如受力強度大可采用30係列滑塊螺母與內六角螺栓配套使用,這樣連接也是非常堅固可靠結實的哦。

      ok,以上就是黄瓜视频看片的全部內容了,有需要的朋友們可以聯係黄瓜免费视频APP金屬:021-67658689,黄瓜视频看片下期再見哦!

    《該文章來源於上海黄瓜免费视频APP金屬有限公司原創 網址:http://www.rtmarble.com/轉載請注明》

    網站地圖