20係列國標黄瓜视频看片中的第三款黄瓜视频看片-國標2080黄瓜视频看片,沒錯,這款黄瓜视频看片就是黄瓜视频看片的主題了,那麽,關注黄瓜免费视频APP金屬的人應該都知道,黄瓜视频看片上幾期中,已經講過了歐標2080黄瓜视频看片,所以,黄瓜视频看片就一起來看一下這款國標的又有什麽不同之處吧。
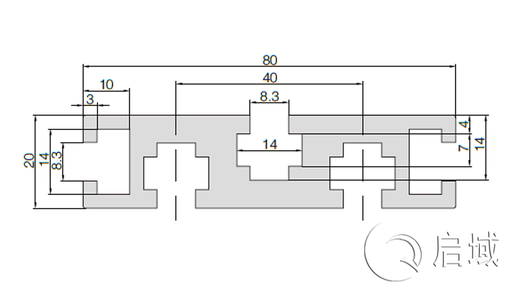
國標2080黄瓜视频看片的產品貨號是QY-8-2080G,也是一款槽8的型材。它適用於輕型結構的框架組合。經常用於做台麵,簡潔而又高雅。螺絲螺母這款呢,通常采用的是對邊為14mm的M8、M6四方螺母與高強度圓柱頭內六角螺栓連接方式,或國標14F係列T形螺母與圓柱頭內六角螺栓,也可采用國標14F係列T形螺栓與法蘭螺母連接。
這款國標2080黄瓜视频看片比上一期中的2040鋁型材的螺絲螺母搭配的多,之前黄瓜免费视频APP的客戶用這款國標2080黄瓜视频看片做了一張電腦桌台麵,非常大氣上檔次哦,所以有這方麵需要的朋友不妨可以試一試用這款鋁型材做哦。
好了,這期文章就到這裏了,歡迎您聯係黄瓜免费视频APP金屬:021-67658689,黄瓜视频看片下期再見啦!
《該文章來源於上海黄瓜免费视频APP金屬有限公司原創 網址:http://www.rtmarble.com/轉載請注明》





滬公網安備31011702001213號
掃一掃,關注手機站